由两个以上元件组成的密封件叫组合式密封,最常见和最简单的组合式密封件是由钢和耐油橡胶压制成的。另外还有聚四氟乙烯与耐油橡胶组成的橡塑组合同轴密封圈,它能满足耐高压、高温、低摩擦系数、长寿命的要求。
为了充分发挥密封件的性能,必须选择最适于使用条件的材料、型号。今天我们来聊一聊SPGW组合密封的性能和用途。

什么是SPGW组合密封
SGPW组合密封由一个密封环、二个平垫圈POM或PA支撑环和一个施力的橡胶圈组成活塞组合密封。
性能解析
性能和用途:
SPGW组合密封适用于长行程及范围较广的流体和高温场合,在高压工况下的重载双向活塞密封场合应用非常出色。可应用于较大的活塞间隙,在重载和工程机械的油缸活塞密封系统中具有良好的泄露控制,抗挤出性和耐磨损性能,如挖掘机、重型压缸等。
标准和材料
密封环:填充聚四氟乙烯PTFE
O形圈:丁腈胶NBR或氟胶FKM
挡圈:聚甲醛POM或尼龙PA

适用主要流体
由于采用的标准和材料拥有本身特性,因此SPGW组合密封所使用的主要流体也与其他组合密封有所不同。

优点
(1)良好的动静密封性能
(2)静态和动态的摩擦系数低磨损小
(3)沟槽简单
(4)启动时不爬行,工作稳定
(5)因为较大的挤出间隙,在有污物的介质中可以正常使用
(6)使用寿命长
工况条件
可提供直径范围压力范围温度范围速度介质50-100mm0-50Mpa-30℃+100℃1.5m/s通用液压油,阻燃油,水及其他

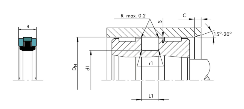
安装结构图及沟槽尺寸

(单位mm)
NOK爱体育官方网站-爱体育aitiyu(中国)
咨询:
NOK密封件咨询:
三之星皮带咨询:
川崎液压咨询:
CFW爱体育官方网站-爱体育aitiyu(中国)
咨询:
EKK机械密封咨询: